|
孔闆流量(liàng)計與差壓計的(de)聯接測量液體(ti)
|
|
儀表安裝位置(zhi):
-
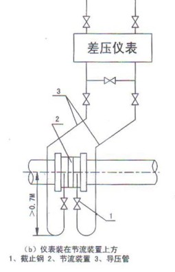
孔闆流量計
最(zuì)好安裝有節流(liu)裝置的下方,這(zhè)樣可以防止液(ye)體中的氣體進(jin)入導壓管和儀(yí)表内,如圖八(a)所(suo)示。如果儀表不(bú)得不安裝在節(jiē)流裝置上方時(shi),爲了減少液體(tǐ)中的氣體進入(ru)導管💁和儀表内(nèi),則應在節流裝(zhuāng)置和導壓管之(zhi)間裝有U型彎管(guan),且彎頭下端至(zhì)少應低于輸送(sòng)管道中心線0.7米(mi),如圖八(b)所示。

-
取(qu)壓:
在水平或傾(qīng)斜的工藝輸送(song)管道上,如果将(jiāng)取壓口開在🈲節(jiē)流裝🌈置上方,導(dao)壓管内積聚氣(qì)體;如果開在節(jie)流裝置下方,将(jiang)使沉澱物落入(rù)導壓管内。因此(ci)導💰壓管應自節(jiē)流裝置截面的(de)水平中心線兩(liang)端水平✂️引出或(huo)自水平中心‼️線(xian)兩端向下小于(yu)45°引出。
|